产品中心
首页 - 产品中心 - 专用电涌保护器系列 - LT-iSPD 系列智能在线检测防雷模块
LT-iSPD
概述

通常情况下,雷击事故分析大多数是凭专家经验判断;

从现在开始,雷泰带你禁图防雷智能化,可随时随地远程在线监控,通过智能终端,能准确采集到;开光状态、接地状态、接地电阻阻值、SPD状态、雷击峰值、雷击次数、雷击时间、环境参数等,并且所有监测信息能够实时远程管理、并上报到提定检测屏幕,甚至责任人手机上,可以及时了异常问题点,查找隐患,主动维护。

比如在输电电路和变电站上安装雷电流监测终端以后,一旦线路、变电站遭受雷击入侵时,系统第一时间把雷击数据返回监控中心,检测中心接到雷击信息后,运营维护人员可迅速对落雷点的避雷器、绝缘子、接地引下线、及相关的电气设备,针对性的进行检查,分析雷击损害的原因及隐患,保证电力设施在后续运行中,更安全,更有效。

应用范围
为提高防雷设施的安全性,稳定性和可靠性,方便对防雷设施的日常管理及维护,创新研发出安全、科学、高效的系列智能在线监测产品。实时了解防雷设施的工作状态,并且将发生的各种故障,迅速有效传至云端,及时掌握运行状态,并在出现安全隐患或故障时第一时间作出最及时有效的处理。
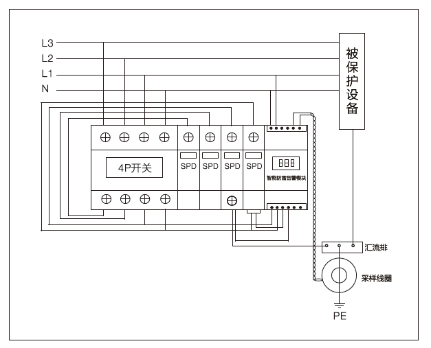
接线简示图
技术数据
电气参数 技术数据
输入电源 220VAC/50Hz或者DC9-12V
雷击次数监测 最大999次
SPD失效监测 监测一组SPD失效状态
SPD脱扣器状态监测 监测一组SPD脱口器状态
SOD接地状态监测 监测SPD假接地和接地不良状态
交流供电端防雷能力 ≥100kA
雷击检测范围 1kA-200kA
产品功耗 ≤2W
故障报警方式 本地显示及蜂鸣
一般参数
IP等级 IP20
安装方式 35mm标准道轨
工作环境 -40~+70℃,相对湿度<95%(25℃以下)
外型尺寸(宽度X高度X深度) 108X90X74(4P)
上个产品:没有了! 下个产品:没有了!